




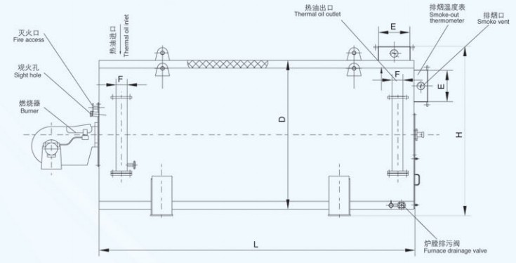
WRY series automatic oil fired Thermal Oil Boiler is vertical forced circulation boiler.
Boiler heating surface compact structure, the heating surface from the inside, outside close-packed circular tube constitutes the inner coil heating surface, the outer surface and the middle coil heating surface.
The exothermic combustion chamber for burning fuel including coil composed, most of the heat is absorbed by the radiation heating surface, high temperature gas into the convection heating surface and the heat exchanger.
Performance Advantages
1.Enegy-efficient
1.1 Close-packed disc tube heating surface, heating surface layout adequacy, multi-backhaul heat exchanger.
1.2 Furnace size match with burning flame, radiation heat transfer efficiency.
1.3 Positive pressure combustion, so that combustion efficiency is greatly improved.
1.4 Boiler quality insulation materials led to less heat loss, the exhaust gas temperature is low, the high thermal efficiency of the boiler.
2. Safety and reliable
2.1 Close-packed disc tube heating surface arrangement sufficient to reduce the tube sheet heat load, conducting oil safe to use.
2.2 Temperature and pressure and thermal oil leakage monitor.
2.3 Automatic control.




















