All Category
All Category
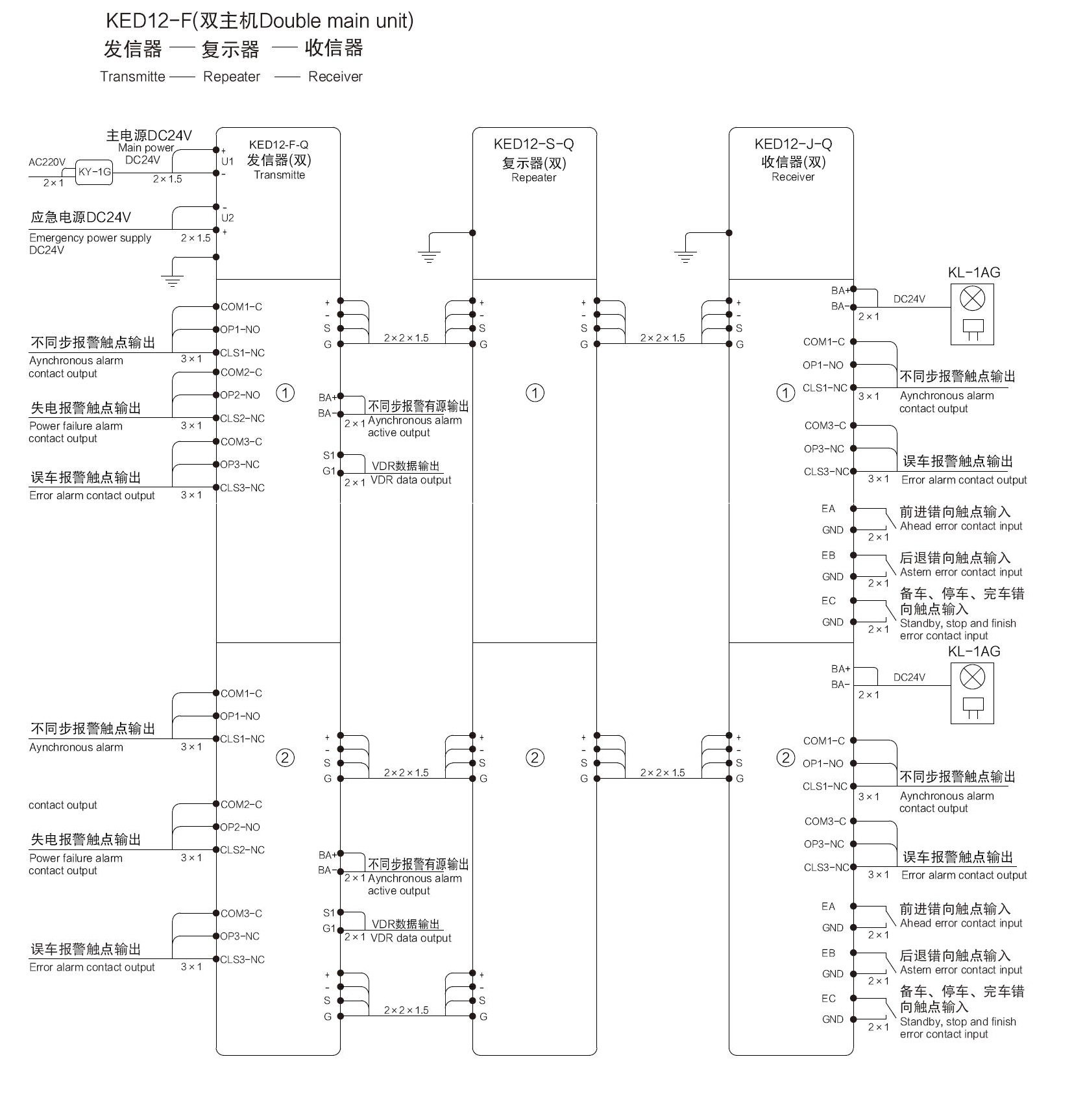
KED12-F-Q (Double) Telegraph Transmitter
Our company is specialized in manufacturing and exporting a wide range of marine equipment to our global clients, we also work as a shipbuilder.
If you are interested in our products, you can:
Product Details

20250501142458982.jpg

20250501143112631.jpg


Function
KED12 telegraph introduces microprocessor technology and four-core cable connection mode.
Operation of telegraph consists of 11 steps such as ahead dead slow, ahead slow, ahead half, ahead full, stop, finish, standby, astern dead slow, astern slow, astern half and astern full.
When transmitter and receiver are not synchronous, it will send out audible and visual alarm.
Power failure alarm, fault alarm and error alarm.
VDR interface.

Main power: DC24V
Emergency power: DC24V
Alarm sound pressure level: 80dB~90dB
Passive contact load (resistance): 2A/30VDC 1A/125VAC
Maximum shift voltage of passive contact: 240VAC/120VDC
Color: black(RAL 9005)
IP class:IP20
Weight: 1.18/1.4Kg
Power: 5W

Online Inquiry